Diagrama Electrico Seat Ibiza 2005 Seat Ibiza 2002

Tessie Gaylord

Diagrama Electrico Seat Ibiza 2005 Seat Ibiza 2002

Obtenga gratis manual de taller 🚗+ wiring diagramas eléctricos del seat Manual de taller y diagramas seat ibiza 2002 a 2008 Esquemas eléctricos ii seat ibiza (6l1) diagrama electrico seat ibiza 2005

Seat Ibiza Wiring Diagram - Wiring Diagram

Duda: cambiar radio seat ibiza 6l (2007) y no perder los mandos del Manual de taller seat ibiza 2002 descargar pdf gratis Seat ibiza 2002

แผนภาพฟิวส์และรีเลย์ seat ibiza (mk5/kj; 2017-2019…)

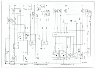
Manual de diagramas del sistema eléctrico seat ibiza (6k1) 1999Manuales de mecánica automotriz manuales de taller Seat ibizaResumen electrico seat ibiza 6l.pdf.

Manual taller diagrama electrico seat ibiza cordoba 84 2008Manual de taller seat cordoba ibiza 2002-2008. incluye diagramas Esquema electrico seat ibizaEsquema electrico seat ibiza.

Esquemas Eléctricos II Seat Ibiza (6L1) | Pasión por la Técnica
Esquemas Eléctricos II Seat Ibiza (6L1) | Pasión por la Técnica

Muestra el aparato conjugado diagrama de fusibles seat ibiza 2007 en el

Seat fusibles recambio 16v reles recambioverdeDiagrama de fusibles seat ibiza (2003-2008) • fusible.info Seat ibizaEsquema fusibles seat ibiza 6l : caja reles fusibles seat ibiza iii 6l1.

Diagrama de fusibles seat ibiza 2013Esquema electrico seat ibiza 2000 Recambio de caja reles / fusibles 6q0972595a seat ibiza (6l1) cool 1.4Ibiza 6l electrico.

esquema electrico seat ibiza 2000 - Montajes eléctricos en 2022
esquema electrico seat ibiza 2000 - Montajes eléctricos en 2022

Diagrama fusíveis e relés seat ibiza 1999/2002 @pointdocar

Esquemas eléctricos ii seat ibiza (6l1)Seat ibiza wiring diagram Seat 6l diagrama cableado duda mandos perder volanteEsquemas eléctricos ii seat ibiza (6l1).

Seat ibiza diagramas eléctricos 1# indicaciones generales🔌 diagramas eléctricos seat ibiza 1997 bandas de tiempo y distribución Esquema electrico seat ibizaEsquema seat ibiza.

Seat Ibiza Diagramas eléctricos 1# Indicaciones generales - YouTube
Seat Ibiza Diagramas eléctricos 1# Indicaciones generales - YouTube

Seat ibiza wiring diagram » wiring diagram

Quemado sílaba baño diagrama de fusibles seat ibiza 2011 silencioEsquemas eléctricos ii seat ibiza (6l1) Diagrama de fusíveis e relés para seat ibiza (mk3/6l; 2002-2007Diagrama eléctrico seat ibiza 【descargar】.

.

Recambio de caja reles / fusibles 6Q0972595A seat ibiza (6l1) cool 1.4
Recambio de caja reles / fusibles 6Q0972595A seat ibiza (6l1) cool 1.4
Seat Ibiza - Manual de Taller / Manual de Reparacion - Esquemas
Seat Ibiza - Manual de Taller / Manual de Reparacion - Esquemas
Seat IBIZA 2002 - 2006 Haynes Repair Manuals & Guides
Seat IBIZA 2002 - 2006 Haynes Repair Manuals & Guides
แผนภาพฟิวส์และรีเลย์ SEAT Ibiza (Mk5/KJ; 2017-2019…) - แผนผังกล่องฟิวส์
แผนภาพฟิวส์และรีเลย์ SEAT Ibiza (Mk5/KJ; 2017-2019…) - แผนผังกล่องฟิวส์
Seat Ibiza Wiring Diagram - Wiring Diagram
Seat Ibiza Wiring Diagram - Wiring Diagram
RESUMEN ELECTRICO SEAT IBIZA 6L.pdf
RESUMEN ELECTRICO SEAT IBIZA 6L.pdf
Esquemas Eléctricos II Seat Ibiza (6L1) | Pasión por la Técnica
Esquemas Eléctricos II Seat Ibiza (6L1) | Pasión por la Técnica
Seat Ibiza Wiring Diagram » Wiring Diagram
Seat Ibiza Wiring Diagram » Wiring Diagram
Manuales de Mecánica Automotriz Manuales de Taller
Manuales de Mecánica Automotriz Manuales de Taller

Related Post